Схема панели приборов Калина 2

1,2 – колодки жгута проводов панели приборов к колодкам жгута проводов переднего; 3, 4 — колодки жгута проводов панели приборов к колодкам жгута проводов заднего; 5 – модуль управления светотехникой; 6 – выключатель зажигания; 7 – переключатель режимов бортового компьютера; 8 – переключатель стеклоочистителей; 9 – комбинация приборов; 10 – переключатель световой сигнализации; 11 – выключатель привода замка багажника; 12 – колодка диагностики; 13 – колодка жгута проводов панели приборов к колодке жгута проводов коробки воздухопритока; 14 – выключатель обогрева заднего стекла; 15 – выключатель аварийной сигнализации; 16 – выключатель сигнала торможения; 17 – мультимедийная система; 19 – устройство вращающееся; 20 – модуль надувной подушки безопасности водителя; 21 – выключатель звукового сигнала; 22 – монтажный блок: К1 – реле электровентилятора системы охлаждения двигателя; К2 – реле включения блокировки дверей; К3 – дополнительное реле стартера; К4 – дополнительное реле; К6 – реле стеклоочистителя; К7 – реле включения дальнего света фар; К8 – реле звукового сигнала; К9 – реле включения ближнего света фар; К10 – реле включения обогрева заднего стекла; К11 – главное реле; К12 – реле топливного насоса; 23 – электроусилитель рулевого управления; 24 – прикуриватель; 25 – плафон освещения вещевого ящика; 26 – выключатель освещения вещевого ящика; 27 – колодка жгута проводов панели приборов к колодке жгута проводов системы зажигания; 28 – контроллер системы управления двигателем; 29 – колодка жгута проводов панели приборов к колодке жгута проводов заднего 4; 30 – педаль акселератора электронная; 31 – резистор добавочный; 32 – электродвигатель отопителя; 33 – датчик солнечной радиации; 35 – реле (К13) электровентилятора системы охлаждения двигателя 3; 36 – реле (К16) компрессора; 37 – реле (К14) обогрева ветрового стекла; 38 – реле (К15) обогрева ветрового стекла 2; 39 – регулятор корректора фар; 40 – выключатель сигнала положения педали сцепления; 41 – модуль надувной подушки безопасности пассажира; 42 – датчик температуры испарителя; 44 – элемент обогрева ветрового стекла; 46 – выключатель обогрева ветрового стекла; 47 – центральный блок кузовной электроники; 48 – микромоторедуктор заслонки распределителя воздушного потока; 50 – контроллер системы автоматического управления климатической установкой; 51 – микромоторедуктор смешивания потоков воздуха; 52 – микромоторедуктор привода заслонки рециркуляции.
FakeHeader
Comments 32
калина 2 после перепрошивки с Т007 на Т012 пропали звуки поворотников и аварийки
Звук от поворотников идёт тока при вкл зажигании …
У меня тоже КП была с 007, сейчас 012 — звук поворотников есть.
звука нет и во время движения то же
Значит что то не то сделал …
у меня гранта 2013г.в. двигатель 1,6 98лс, акпп, приборная панель 219020 — 076. Можно ли установить на нее модифицированную 092 прошивку, чтобы отображалась ТОЖ и ТОС, не возникнут ли проблемы с индикацией АКПП.
Доброго времени суток.Парни подскажите, гранта норма 13 г.в.МКПП.прошивка стоит 219020_090.на какую можно перепрошиться и как чтобы были и ТОЖ и ТОС.Если можно по подробнее т.к. в первый раз сталкиваюсь, есть ли нюасы какие?Буду признателен!:)
Прошить можно на ПО: 092
Щиток приборов Лада Калина, 11186 (2192380101020) можно установить на гранту норма акпп?
Нет, от Калины1 не подходят к Калина2/Гранта
Привет, гранта акпп 2013 прошивка 009 но температуры охлаждающей жидкости не показывает на что перепрошить можно?
009 прошивка от Калины, и в ней точно есть ТОЖ . Может не показывать ТОС, если датчик не установлен .
Ой не правильно написал 090 у меня, а если я установлю 009 у меня будет показывать переключение акпп?не подскажите
Нюансы прошивки мультимедиа Гранты (2190)
Осуществить саму прошивку достаточно несложно, когда ставится прошивка ммс 2190. Для этого возникнет необходимость привлечения SD-карты.
В числе распространенных изъянов, имеющих место после того, как установлена прошивка приборной панели, даже в случае, если это последняя версия, присутствует зависание на дисплее головного устройства логотипа Лада.
Этот момент могут спровоцировать таковые факторы:
- пренебрежение соблюдением требуемых принципов форматирования;
- присутствие неактуальной версии SD-карты, имеющей различия с «SDHC».
После успешного форматирования карты и выбора софта (к примеру, «New Menu V7.391 Nitro»), потребуется обзавестись прошивкой, у которой самая последняя версия и реализовать распаковку продукта на заранее подготовленный SD-носитель.
В отношении папки «Firm Ware» заметим: располагающиеся в ней файлы потребуется переадресовать корневому каталогу самой карты. По завершении копировального процесса отсоединяем от ПК флеш-карту, не забыв о приеме безопасного извлечения.
Теперь уверенно вставляем SD карту с присутствующими на ней подготовленными файлами непосредственно в ММС. Затем включаем головное устройство. Дожидаемся завершения полной загрузки и посредством длительного нажатия кнопки регулировки громкости выполняем перезагрузку.
Акт перезагрузки характеризуется четырьмя этапами, чье отображение реализовано в 4-х строках состояния процесса. После заполнения данных строк устройство запускается в привычном режиме, о чем будет свидетельствовать появление соответствующего оригинального меню. Спустя несколько секунд наблюдается процесс перехода устройства в альтменю.
USB-разветвитель «DNS ATH-08» обзавелся весомой преференцией – многополярностью. Коммутируемые с «головой» приемник «GPS» и прочие USB-модули совмещаются с альтменю, однако становятся неактивны.
После того, как завершена прошивка ммс 2190 на авто Лада Гранта ее дисплей отображает нового вида рабочий стол, а именно – «Wince». Ранее упомянутые и скопированные в недра корневого каталога карты 4 файла «несут ответственность» за присутствие интерфейса на рабочем столе.
Последующая манипуляция связана с необходимостью настройки нового софта в штатном мультимедийном устройстве автомобиля Лада Гранта. Для этих целей нажимаем кнопку «Start», после чего осуществляем переход по такому маршруту: «Start\Setting\Control Panel». Иногда владельцы жалуются на промедление процесса открытия «Control Panel», однако это явление исчезает после выполнения перезагрузки ММС в принудительном режиме.
Когда контрольная панель открыта, то в ее интерфейсе нажимаем на символ «Stylus/Calibration». Этим действием пользователь нового софта получает возможность осуществить калибровку сенсорного экрана на точность отклика.
По завершении нехитрой процедуры калибровки возникает таймер, завершения отсчетного процесса которого не стоит дожидаться. Не стесняясь, жмем на экран.
Теперь настало долгожданное время процесса принудительной перезагрузки. Длительное и удерживающее воздействие на клавишу громкости (10 секунд или более того) позволяет реализовать данный процесс в ММС. В эту минуту съемный носитель, который содержит новый софт, продолжает пребывать в разъеме головного устройства автомобиля Лада Гранта.
Завершив акцию по перезагрузке, устройство отобразит сначала вид штатного меню, а затем, аналогично процедуре подготовки, и альтменю. Если необходимо вернуться в «родное» меню, то следует удерживать в нажатой позиции клавишу «Штатная».
Процесс перезагрузки устройства, после того, как была проведена прошивка приборной панели, подразумевает обязательное его соединение посредством USB-разветвителя указанной модели с приемником GPS-волн «Globalsat BU-353S4». Если таковое отсутствует, то по завершении самого процесса «голова» отобразит на дисплее штатный режим меню.
Такие распространенные настройки, как звучание, а также аудио или видео, присутствуют в любом устройстве мультимедиа в отечественном автомобиле Лада Гранта.
«NewMenu V7.391Nitro» нуждается в ручном способе установки обозначенных опций, для чего потребуется:
- выполнить вход в папку «soft/radio»;
- прибегнуть к активации файла «start.exe».
Процедура согласится проассоциировать присутствующие файлы, наделенные расширениями: «exe» и «ahk». Эта манипуляция достаточно важна и позволяет достичь стабильного функционала ММС, которой выполнена прошивка приборной панели.
Особенности панели
Даже если вы первый раз сели за руль автомобиля Лада Гранта, знаки на панели приборов будут информативны и понятны на интуитивном уровне. Производитель постарался учесть желания и требования владельцев машины. Стандартная пара тахограф-спидометр отличается крупными, четкими цифрами, которые удобно считываются. В темное время суток предусмотрена нежно-зеленая подсветка, не напрягающая зрение водителя.
Не вызывает нареканий сборка всей панели:
- Ровные и минимальные зазоры показывают точность подгонки элементов. Отсутствуют щели и перекосы, что так часто свойственно отечественным автомобилям.
- Качественный, приятный по тактильным ощущениям, мягкий пластик.
- Приятный дизайн новой панели приборов на Ладу Гранта в классическом черном цвете также радует отличной сборкой.
- Отсутствие скрипов и хруста даже после длительной эксплуатации не раздражает, не создает посторонних звуков в салоне.
Панель собрана надежно, хорошо зафиксирована в салоне.
Как изменить цвет подсветки комбинации приборов
1. Использовать SMD нужного цвета. Например, для подсветки одной части панели взять белые светодиоды, а для другой – синие.
2. Использовать вместе с белыми светодиодами светофильтр (изоленту или пленку разных цветов). Наклеиваем ее на нужный участок, в результате чего получаем подсветку нужного цвета. Чтобы изменить цвет, не нужно использовать паяльник, достаточно разобрать щиток приборов и наклеить пленку другого цвета.


Стоит отметить, что на стрелках есть оранжевое напыление. Чтобы изменить подсветку стрелок следует стереть лак жидкостью для снятия лака и при необходимости нанести новый лак подходящего цвета. Другой вариант – использовать светодиоды для стрелок нужного цвета.

Изменить подсветку экрана (дисплея) можно не только путем замены его светодиодов, но и при помощи переворачивания пленки. Сначала отдираем пленку с дисплея, очищаем остатки клея растворителем и приклеиваем пленку обратной стороной. Получается инверсия дисплея панели:
3. Использовать RGB-SMD светодиоды. Если хочется менять цвет подсветки в один момент. В этом случае придется дополнительно выводить управление переключением.
Как выглядит сборка приборной панели?
Этот важный сегмент салонного оборудования приятно впечатляет. В глаза «бросается» точность в подгонке элементов (минимальные и ровные зазоры). Дизайнерские решения и цветовая гамма компонентов также достигают высокой оценки, ведь все выглядит как стильный и логически завершенный продукт.
Материал приборных элементов – обычный, но качественный пластик с приятной на ощупь фактурой. Он лишен неприятных поскрипываний и хрустов. Посторонние раздражительные звуки отсутствуют даже спустя длительный период эксплуатации. Это свидетельствует о надежной сборке панели и качественной ее фиксации с прочими салонными компонентами.
Видео — Установка чехлов из эко кожи на гранту задних сидений.
Регулировка передних сидений автомобиля
1. Для регулировки передних сидений Лада Гранта в продольном направлении (вперед – назад) потяните блокирующий рычаг вверх (см. фото ниже). После установки сиденья в удобное положение опустите рычаг и, перемещая немного сидение вперед-назад, зафиксируйте его.
Примечание:
Запрещается регулировать положение водительского сиденья во время движения автомобиля. Сиденье может резко сдвинуться с места, что приведет к потере контроля над автомобилем.
2. Наклон спинки сиденья Лада Гранта регулируется плавно вращением рукоятки.
В вариантном исполнении передние сиденья оборудованы электрическими подогревателями, которые включаются только при работающем двигателе автомобиля. 3. Регулировка подголовника на сидениях Лада Гранта по высоте осуществляется непосредственным воздействием на подголовник. Регулировка подголовника вниз производится нажатием на рычаг стопоров (см. фото ниже) подголовника с правой стороны. Для извлечения подголовника из спинки сиденья необходимо переместить подголовник в вверх и нажать на рычаг стопора подголовника с правой стороны, а затем вытащить подголовник.
Читать дальше: Охлаждение головки блока цилиндров
Примечание:
Оптимальное положение подголовника считается – когда его верхняя часть находится на одном уровне с верхним уровнем головы водителя. Если добиться этого невозможно, для людей очень высокого роста необходимо поднять подголовник в крайнее верхнее положение, а для людей очень низкого роста – опустить в самое нижнее положение.
Регулировка задних сидений автомобиля
Примечание:
В базовой комплектации у автомобиля Лада Гранта на задних сидениях не установлены подголовники. В комплектации люкс подголовники на задних сидениях имеются и регулируются также, как и на передних.
1. Для увеличения площади багажного отделения предусмотрена возможность раскладки заднего сиденья. Это необходимо для перевозки крупногабаритных грузов и длиномеров. Перед складыванием заднего сиденья (или его части) необходимо замки ремней безопасности установить в специальные держатели на нижней части спинки. При возвращении спинки в рабочее положение следует проследить,чтобы плечевые ветви боковых ремней не попали за спинку, то есть остались в салоне, а не в багажнике. После возвращения сиденья в рабочее положение замки ремней безопасности необходимо вынуть из держателей.

2. Для раскладывания заднего сиденья, потяните за петлю (см. фото ниже) и установите подушку в вертикальное положение.

Примечание:
При необходимости сдвиньте передние сиденья вперед.
3. Потяните за рукоятку привода замка (с двух сторон сиденья) и уложите спинку в горизонтальное положение.

4. Установка задних сидений в обычное положение выполняется в обратном порядке.
5. В вариантном исполнении каждая из обеих частей сиденья при необходимости может быть разложена отдельно.

Примечание:
При складывании любой части заднего сиденья для перевозки грузов, на оставшейся части может располагаться не более одного пассажира.
Подробные схемы узлов и блоков

1 — фара правая;
2 — электродвигатель омывателей;
3 — фара левая;
4 — стартер ВАЗ-2190;
5 — батарея аккумуляторная;
6 — блок предохранителей основной;
7 — генератор;
8 — сигнал звуковой;
9, 10, 11 — колодки жгута проводов переднего к колодкам жгута
проводов панели приборов;
12 — выключатель лампы света заднего хода;
13 — электровентилятор системы охлаждения двигателя.

1 – датчик контрольной лампы давления масла;
2 – генератор;
3 – дроссельный патрубок с электроприводом;
4 – датчик температуры охлаждающей жидкости;
5 – колодка жгута проводов системы зажигания к колодке жгута проводов панели приборов;
6 – электромагнитный клапан продувки адсорбера;
7 – датчик скорости ВАЗ-2190;
8 – датчик массового расхода воздуха;
9 – датчик положения коленчатого вала;
10 – датчик концентрации кислорода;
11 – контроллер;
12 – датчик концентрации кислорода диагностический;
13 – катушки зажигания;
14 – свечи зажигания;
15 – форсунки Lada Granta;
16 – колодки жгута проводов системы зажигания и жгута проводов форсунок;
17 – датчик детонации.
Схема электрическая модуля управления светотехникой Лада Гранта


1, 2 – колодки жгута проводов заднего к колодкам жгута проводов панели приборов;
3 – боковой указатель поворотов правый;
4 – боковой указатель поворотов левый;
5 – датчик ручного тормоза;
6 – элемент обогрева заднего стекла;
7 – плафон освещения салона;
8 – выключатель в ремне безопасности водителя;
9 – фонарь освещения багажника;
10 – модуль электробензонасоса;
11 – фонарь правый;
12 – электродвигатель блокировки багажника;
13 – выключатель плафона освещения салона;
14 – дополнительный сигнал торможения;
15 — фонарь левый;
16 – колодка жгута проводов заднего к колодке жгута проводов задней левой двери;
17 – колодка жгута проводов заднего к колодке жгута проводов задней правой двери;
18 – колодка жгута проводов заднего к колодке жгута проводов передней правой двери;
19 – колодка жгута проводов заднего к колодке жгута проводов передней левой двери;
20 – блок управления надувных подушек безопасности;
21 – колодка жгута проводов заднего к колодке жгута проводов фонарей освещения номерного знака.
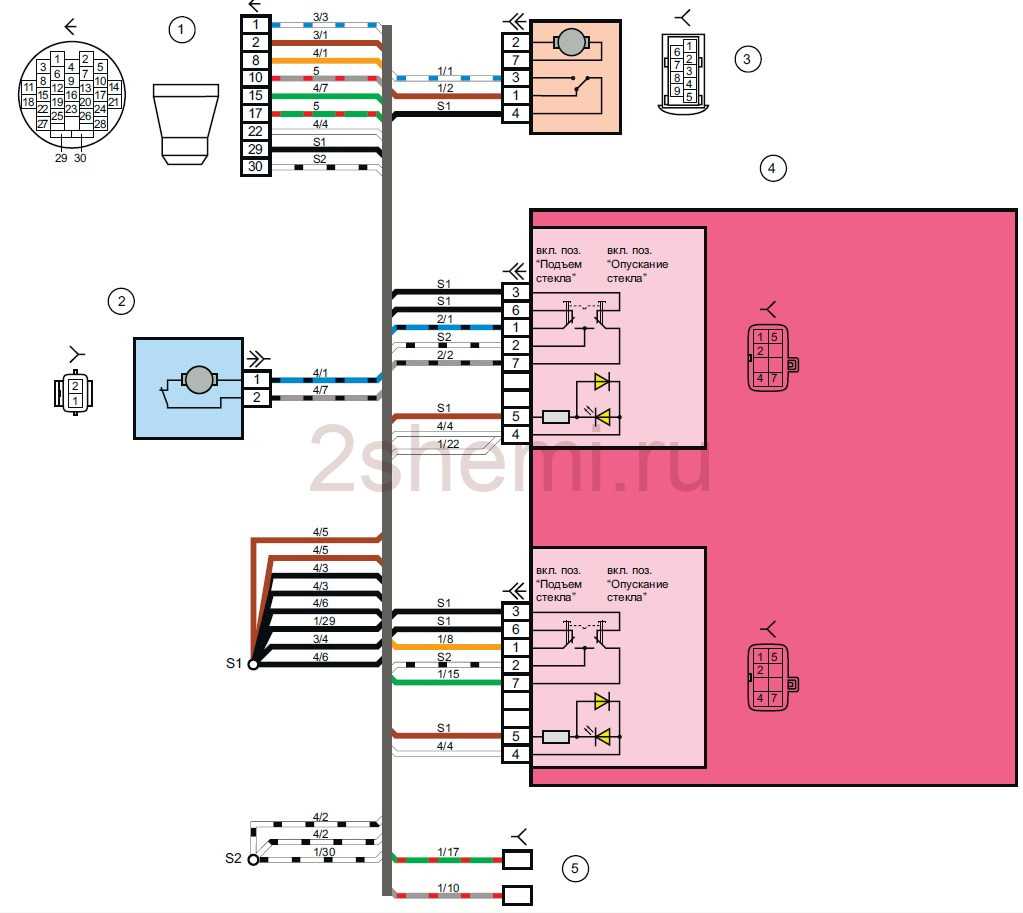
Схема соединений жгута проводов передней правой двери

1 – колодка жгута проводов передней правой двери к колодке жгута проводов заднего;
2 – электродвигатель стеклоподъемника;
3 – замок правый передний Lada Granta;
4 – переключатель стеклоподъемника;
5 – колодки жгута проводов передней правой двери к громкоговорителю переднему правому.
Схема соединений жгута проводов передней левой двери

1 – колодка жгута проводов передней левой двери к колодке жгута проводов заднего;
2 – электродвигатель стеклоподъемника;
3 – замок левый передний;
4 – блок переключателей;
5 – колодки жгута проводов передней левой двери к громкоговорителю переднему левому.
Схема электросоединений жгута проводов фонарей освещения номерного знака

1 – колодка жгута проводов фонарей освещения номерного знака к колодке жгута проводов заднего;
2 – фонарь освещения номерного знака ВАЗ-2190;
3 – фонарь освещения номерного знака.
Замена выключателей и ламп подсветки на панели приборов Lada Granta
Инструменты:
- Гаечный ключ рожковый на 10 мм
- Плоскогубцы
- Отвертка крестовая средняя
- Набор пластиковых монтажек
- Отвертка плоская малая
Детали и расходники:
- Кнопка привода замка багажника
- Переключатель наружного освещения
- Выключатель аварийной сигнализации
- Выключатель обогрева заднего стекла
- Переключатель режимов работы вентилятора отопления и вентиляции салона
- Лампа W1,2W – 2 шт.
Замена кнопки привода замка багажника
1. Отсоедините клемму провода от «минусового» вывода аккумуляторной батареи.

2. Для замены выключателя привода замка багажника снимите крышку монтажного блока с панели приборов.

3. Плоскогубцами сожмите два фиксатора выключателя и выньте его из крышки монтажного блока.

4. Установите выключатель привода замка багажника в обратной последовательности.
Замена переключателя наружного освещения
1. Для замены переключателя наружного освещения снимите крышку монтажного блока с панели приборов.
2. Крестовой отверткой отверните саморез крепления переключателя.

3. Наклонив верхнюю часть переключателя на себя, сожмите два фиксатора колодки (обозначены стрелками) жгута проводов и отсоедините колодку от переключателя.

4. Снимите переключатель наружного освещения.

5. Установите переключатель наружного освещения в обратной последовательности.
Замена выключателя аварийной сигнализации
1. Для замены выключателя аварийной сигнализации снимите центральную накладку панели приборов.
2. Сожмите два фиксатора выключателя (обозначены стрелками) и достаньте его из накладки панели приборов.

3. Установите выключатель аварийной сигнализации в обратной последовательности.
Замена выключателя обогрева заднего стекла
1. Для замены выключателя обогрева заднего стекла снимите центральную накладку панели приборов.
2. Сожмите два фиксатора выключателя и выньте его из накладки панели приборов.

3. Установите выключатель обогрева заднего стекла в обратной последовательности.
Замена переключателя режимов работы вентилятора отопления и вентиляции салона
1. Для замены переключателя режимов работы вентилятораотопления и вентиляции салона снимите центральную накладку панели приборов.
2. Сожмите два фиксатора переключателя и выньте его из накладки панели приборов.

3. Установите переключатель режимов работы вентилятора в обратной последовательности.
Замена ламп подсветки регуляторов блока управления отоплением и вентиляцией
1. Для замены ламп подсветки регуляторов блока управления отоплением и вентиляцией снимите центральную накладку панели приборов.
2. Поверните патрон лампы по часовой стрелке и выньте его с лампой из накладки панели приборов.

3. Достаньте лампу из патрона.

4. Новую лампу W1,2W установите в обратной последовательности.
5. Аналогично замените другую лампу подсветки регуляторов. Схема размещения ламп подсветки приведена на фото ниже.

6. Соберите все в обратной последовательности.
Инструкция по прошивке приборной панели
Потребуется: программатор Usbdm OSBDM V4.95 (есть в каталоге Алиэкспресс).
Устанавливаем софт HCS12 Programmer и USBDM driver X86 или X64 . Для ОС Windows 8 или 8.1 перед установкой ПО следует отключить проверку подлинности драйверов. После установки ПО подключаем программатор к ПК (должны гореть лампы COM и USB).
Подключаем к приборке:
- снять панель приборов и заднюю крышку;
- питание (9-14 В) на 19 и 21 контакты (можно без питания, для этого переставить перемычку под крышкой программатора на 3.3v);
- минус на 17 контакт;
- шлейф программатора (загорится лампа PWR).
Запускаем софт HCS12 Programmer и выполняем настройки:
- На закладке Interface нажимаем detect, в окне появится USBDM-js16-001. Нижние галочки должны быть активированы;
- На закладке Target нажимаем на кнопку Load Hex Files и выбираем прошивку (должна находиться в корне диска), ставим галочку Auto Reload, выбираем чип HY-MC9S12HY64, выбираем Unsecure, выбираем EraseSelective и ставим галку Enable Sounds. (чтобы обнулить пробег и затереть иммо выбираем EraseMass, но делать это не рекомендуется);
- На закладке Advanced ставим галочку Enabled и проверяем поле ниже (в конце должна быть буква F, если другая буква, то меняем на F).
Когда все параметры выставлены, запускаем процесс прошивки панели приборов (на закладке Target нажимаем Program Flash). Через 10 секунд обновление завершится, на вопрос о подключении следующей приборки отвечаем «Нет». Проверяем версию щитка приборов еще раз. Все!
Процесс прошивки панели приборов также показан на видео:
https://youtube.com/watch?v=qtRz6TYTK8w
Узнать версию щитка приборов порой бывает полезно, например, для установки внешнего датчика температуры.
Обозначение значков на панели приборов Лада Гранта
На схеме приборной панели отражены все значки, датчики и индикаторы, отвечающие за работу автомобиля. Ограниченное количество – 39 штук, не загромождает комбинацию приборов. При этом щиток весьма информативен.
Обозначение на панели приборов Лада Гранта:
- Тахометр – предназначен для отображения количества оборотов ДВС. Зона, выделенная красным цветом, сигнализирует об опасной ситуации в нагрузке мотора.
- Датчик неисправного модуля управления работой мотора. Лампа во время включения зажигания загорается (оранжевый цвет). После пуска двигателя индикатор гаснет. При постоянном горении стоит проверить работоспособность элементов всей системы управления мотором.
- Лампочка сигнализации включенного левого поворотника.
- Датчик давления масляной жидкости в двигателе срабатывает (красный цвет) при включении зажигания. При достижении необходимого давления датчик гаснет. Постоянно действующий индикатор (более 5 с) показывает проблемы с насосом, цилиндро-поршневой системой, низкий уровень масла.
- Лампочка индикации системы ABS – если не гаснет через 2 с, то возникли проблемы с антипробуксовочной системой. Загорается при включенном зажигании (оранжевый цвет).
- Лампа индикации иммобилайзера – противоугонной штатной системы. Оранжевая лампочка сигнализирует о состоянии охраны автомобиля.
- Указатель температуры жидкости охлаждения в горящем состоянии находится не более 5 секунд после пуска двигателя (красная лампа). Негаснущая лампочка говорит о высокой температуре хладагента (выше 115 ℃). Возможен перегрев мотора. При падении температуры ниже 110 ℃ лампа погаснет, перестает подаваться звуковая сигнализация.
- Аварийный индикатор системы тормозов выключается (цвет – красный) после заводки мотора. Когда лампочка горит постоянно, стоит сделать проверку уровеня жидкости в бачке. Минимальная отметка показывает, что необходимо долить тормозную жидкость в емкость.
- Лампочка сигнализации включенного правого поворотника – зеленая стрелка.
- Индикация уровня заряда аккумуляторной батареи – включается при активации зажигания. Лампочка гаснет после заводки мотора. Если этот индикатор на панели приборов Лада Гранта светится постоянно, значит отсутствует зарядный ток в результате неисправной работы регулятора напряжения или генератора. Такой вариант возможен при недостаточном натяжении (обрыве) генераторного ремня.
- Спидометр – отображение текущей скорости машины.
- Датчик курсовой устойчивости – зажигается во время включения зажигании. Индикатор должен погаснуть после начала работы двигателя. Но если он горит постоянно, то функция курсовой устойчивости отключена. Мигает или горит во время движения – в системе неисправность.
- Индикатор переключения передач – сигнализирует о невозможности включения повышенной передачи.
- Лампочка включенного дальнего света.
- Индикатор включенных задних противотуманных огней.
- Лампочка включенного ближнего света.
- Индикатор включенных передних противотуманных огней.
- Клавиша сброса суточного километража – используется для обнуления пробега за сутки или выбора режимов отображения суточного, общего пробега автомобиля.
- Дисплей маршрутного контроллера – выводятся данные о поездке, текущее время, пробег, температура воздуха и другое. Разница может быть в зависимости от комплектации автомобиля.
Рекомендуем: Как снять панель приборов (торпеду) на ВАЗ 2114 В первой строке – время, во второй – пробег. Третья строчка отображает температуру снаружи автомобиля или другие опции, четвертая – уровень топлива.
- Лампочка сигнализации незапертой двери автомобиля – горит красным светом.
- Индикатор уровня топлива – загорается при необходимости дозаправки. Игнорирование минимального уровня топлива может привести к неисправности топливного насоса.
- Индикатор давления в покрышках светится при активации зажигания, гаснет после того, как двигатель заводится. Светится постоянно при падении параметра до минимально безопасного значения.
- Лампа сигнализации проблемы с электроусилителем руля информирует о неисправности в узле.
- Датчик фиксации ремня безопасности не светится при заведенном моторе, если ремень закреплен.
- Индикатор работоспособности ДВС – срабатывает при запуске мотора. Если датчик не гаснет в течение нескольких секунд, то это показывает наличие повреждения в одном из узлов мотора или элементах навесного оборудования.
- Датчик подушек безопасности включается при их неисправности.


















































