Как разобрать генератор Ваз 2110: пошаговая инструкция
Для того, чтобы разобрать генератор Ваз 2110 выполните следующие действия:
- Прежде всего, нанесите отверткой или несмываемым маркером продольную метку на корпус в месте разъединения передней и задней крышки. Это в дальнейшем облегчит сборку генератора.
- Отжимаем на пластмассовом защитном кожухе выпрямительного блока три подпружиненных фиксатора и снимаем его.
- С помощью крестовой отвертки откручиваем два винта, крепящих регулятор напряжения, и приподнимаем его. Затем снимаем клемму подходящего провода с вывода регулятора и аккуратно извлекаем регулятор окончательно. Электросъемные щетки заменяются вместе с блоком.
- Накидным ключом на 8 откручиваем три болта, соединяющие выпрямительный блок с кольцевыми выводами обмоток статора. Сами выводы аккуратно отводим в стороны. Запомните расположение упорных и изолирующих шайб на выкрученных болтах. Теперь с помощью крестовой отвертки откручиваем винт, крепящий к корпусу помехоподавляющий конденсатор. Отсоединяем подходящие провода. Снимаем сам блок и конденсатор. Торцевым ключом на 10 откручиваем две гайки контактных болтов генератора и вынимаем их вместе с дистанционной и изолирующей втулкой, освобождаем наконечник конденсатора. Стоит заметить, что износ (или повреждение) щеток является самой часто встречающейся причиной неправильной работы генератора.
- C помощью ключа на 8 откручиваем 4 болта, стягивающих заднюю и переднюю крышки электрогенератора. Раздвигаем их лицевой отверткой и снимаем заднюю крышку вместе со статорной обмоткой.
- Вынимаем статор из крышки, предварительно нанеся на него метку их взаимного расположения.
- В случае если требуется замена переднего подшипника, снимаем шкив электрогенератора. Для этого торцевым ключом на 22 откручиваем гайку, крепящую шкив на валу ротора, аккуратно удерживая его пассатижами или заклинив ротор отверткой. При этом не повредите лопасти крыльчатки, которые изготовлены из тонкого металла.
- Аккуратно снимаем шкив, шайбы и дистанционную втулку.
- Возвращаем гайку на вал ротора, накручивая ее заподлицо с торцом вала якоря. Ударами резинового молотка выбиваем ротор (якорь) из крышки.
- Все зависит от степени повреждения его частей. Итак:
- Прежде всего, нанесите отверткой или несмываемым маркером продольную метку на корпус в месте разъединения передней и задней крышки. Это в дальнейшем облегчит сборку генератора.
- Отжимаем на пластмассовом защитном кожухе выпрямительного блока три подпружиненных фиксатора и снимаем его.
- С помощью крестовой отвертки откручиваем два винта, крепящих регулятор напряжения, и приподнимаем его. Затем снимаем клемму подходящего провода с вывода регулятора и аккуратно извлекаем регулятор окончательно. Электросъемные щетки заменяются вместе с блоком.
- Накидным ключом на 8 откручиваем три болта, соединяющие выпрямительный блок с кольцевыми выводами обмоток статора. Сами выводы аккуратно отводим в стороны. Запомните расположение упорных и изолирующих шайб на выкрученных болтах. Теперь с помощью крестовой отвертки откручиваем винт, крепящий к корпусу помехоподавляющий конденсатор. Отсоединяем подходящие провода. Снимаем сам блок и конденсатор. Торцевым ключом на 10 откручиваем две гайки контактных болтов генератора и вынимаем их вместе с дистанционной и изолирующей втулкой, освобождаем наконечник конденсатора. Стоит заметить, что износ (или повреждение) щеток является самой часто встречающейся причиной неправильной работы генератора.
- C помощью ключа на 8 откручиваем 4 болта, стягивающих заднюю и переднюю крышки электрогенератора. Раздвигаем их лицевой отверткой и снимаем заднюю крышку вместе со статорной обмоткой.
- Вынимаем статор из крышки, предварительно нанеся на него метку их взаимного расположения.
- В случае если требуется замена переднего подшипника, снимаем шкив электрогенератора. Для этого торцевым ключом на 22 откручиваем гайку, крепящую шкив на валу ротора, аккуратно удерживая его пассатижами или заклинив ротор отверткой. При этом не повредите лопасти крыльчатки, которые изготовлены из тонкого металла.
- Аккуратно снимаем шкив, шайбы и дистанционную втулку.
- Возвращаем гайку на вал ротора, накручивая ее заподлицо с торцом вала якоря. Ударами резинового молотка выбиваем ротор (якорь) из крышки.
Замена родного генератора на более мощный с других марок автомобилей
Если мощность генератора вас не удовлетворяет либо просто он вышел из строя за много лет, то можно поменять его:
- На генератор марки ELDIX 115А, предназначенный для Нивы-21214. Для его установки понадобится:
- генератор;
- кронштейн крепления генератора 21214;
- натяжная планка 21214;
- болт крепления генератора 2110-3701376 с гайкой;
- болт М 8×25 с гайкой 2110.

- Генератор КЗАТЭ 2110-12; 2108-09 14В 90А от российского производителя хорош тем, что все соединения у него сделаны на болтах, реле-регулятор тоже крепится болтами, что обеспечивает удобство при обслуживании и ремонте генератора. Диодный мост на этом генераторе не паяный, а соединяется путем прижатия. Благодаря этому диодный мост реально заменить, не снимая генератор с автомобиля. К тому же все комплектующие этого генератора можно приобрести без проблем, так как фирма-производитель обеспечивает внутренний рынок комплектующими деталями.
- Генератор от Приоры Люкс КЗАТЭ 115А – производителем является Самарский завод им. А. М. Тарасова. Эта модель крепится на ВАЗ-2110 болтами. Незначительной переделки потребует проводка. Придется рассверлить плюсовые клеммы, которые надеваются на генератор. Ремень лучше всего взять от BOSH, уже проверено многими владельцами методом тыка. После подключения новый генератор выдает отличные показатели:
- напряжение со всеми включенными потребителями – 13,8 В;
- генератор работает практически бесшумно.
- Генератор Старт-Вольт 120А – новое поколение генераторов, позволяет подключать любое количество потребителей, которые при современном уровне развития техники стали просто необходимы, а мощности стандартного генератора явно недостаточно. При тех же габаритах и весе, что и стандартные генераторы, мощность стартвольтовских генераторов на 50% превышает обычные. За счет принципиально нового подхода к комплектации генератора Старт-Вольт 120А увеличена не только мощность, но и долговечность, они прослужат дольше обычных не требуя ремонта и замены комплектующих.
Нормальный показатель напряжения в генераторе ВАЗ-2110
Чтобы автомобиль исправно работал и не подводил в пути, автовладелец должен постоянно следить за технической исправностью своего «четырехколесного друга», уделяя при этом немало внимания автомобильному генератору. Если агрегат выйдет из строя, то аккумулятор не сможет получать электрической подзарядки, в итоге, машина станет работать только от подпитки АКБ, запаса которого хватит на непродолжительный период времени.
Как только запас АКБ источится, мотор перестанет функционировать и автомобиль просто остановится, причем в любом месте. В этом случае автовладельцу придется искать немало денежных средств на покупку нового генератора, а также на его проверку и установку. А вот процесс контроля технической исправности, при котором самое главное, отслеживать, какое именно напряжение должен выдавать при движении генератор ВАЗ-2110, поможет сэкономить денежные средства и знать, что машина не подведет владельца ни при каких обстоятельствах. Если вы заметите, что генератор работает с перебоями, то нужно проверить функциональность агрегата, тем более что самостоятельно осуществить такой процесс довольно просто, учитывая советы и рекомендации профессионалов своего дела. Однако перед работой автовладелец должен ознакомиться с некоторыми правилами, которые помогут без повреждений проверить исправность агрегата.
Схема управления двигателем ВАЗ-21124

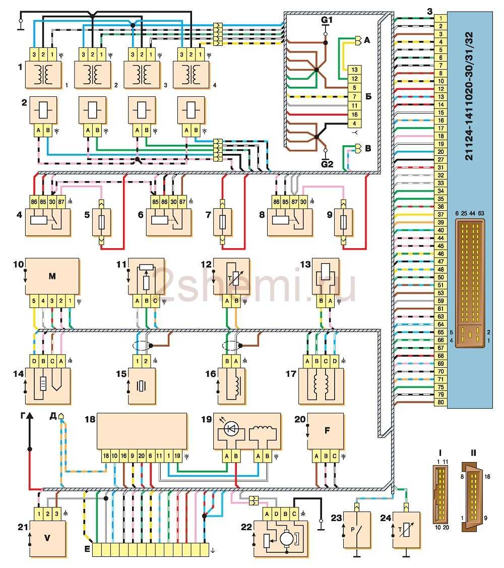
Схема соединений системы управления двигателем ВАЗ-21124 с распределенным впрыском топлива под нормы токсичности Евро-2 (контроллер M7.9.7): 1 — катушки зажигания; 2 — форсунки; 3 — контроллер; 4 — главное реле; 5 — предохранитель, соединенный с главным реле; 6 — реле электровентилятора системы охлаждения; 7 — предохранитель, соединенный с реле электровентилятора системы охлаждения; 8 — реле электрического топливного насоса; 9 — предохранитель, соединенный с реле электрического топливного насоса; 10 — датчик массового расхода и температуры воздуха; 11 — датчик положения дроссельной заслонки; 12 — датчик температуры охлаждающей жидкости; 13 — электромагнитный клапан продувки адсорбера; 14 — датчик кислорода; 15 — датчик детонации; 16 — датчик положения коленчатого вала; 17 — регулятор холостого хода; 18 — блок управления иммобилайзера; 19 — индикатор состояния иммобилайзера; 20 — датчик фаз; 21 — датчик скорости автомобиля; 22 — модуль электрического топливного насоса с датчиком уровня топлива; 23 — датчик контрольной лампы давления масла; 24 — датчик указателя температуры охлаждающей жидкости; А — колодка, присоединяемая к жгуту проводов салонной группы АБС; Б — колодка диагностики; В — колодка, присоединямая к жгуту проводов кондиционера; Г — к выводу «+» аккумуляторной батареи; Д — к колодке жгута проводов боковых дверей; Е — колодка, присоединяемая к жгуту проводов панели приборов; G1, G2 — точки заземления; I — порядок условной нумерации штекеров в колодке блока управления иммобилайзера; II — порядок условной нумерации контактов в колодке диагностики.

Схема соединений системы управления двигателем ВАЗ-21124 с распределенным впрыском топлива под нормы токсичности Евро-3 (контроллер M7.9.7): 1 — катушки зажигания; 2 — форсунки; 3 — контроллер; 4 — главное реле; 5 — предохранитель, соединенный с главным реле; 6 — реле электровентилятора системы охлаждения; 7 — предохранитель, соединенный с реле электровентилятора системы охлаждения; 8 — реле электрического топливного насоса; 9 — предохранитель, соединенный с реле электрического топливного насоса; 10 — датчик массового расхода и температуры воздуха; 11 — датчик неровной дороги; 12 — датчик положения дроссельной заслонки; 13 — датчик температуры охлаждающей жидкости; 14 — регулятор холостого хода; 15 — управляющий датчик кислорода; 16 — диагностический датчик кислорода; 17 — электромагнитный клапан продувки адсорбера; 18 — датчик детонации; 19 — датчик положения коленчатого вала; 20 — блок управления иммобилайзера; 21 — индикатор состояния иммобилайзера; 22 — датчик фаз; 23 — датчик скорости автомобиля; 24 — модуль электрического топливного насоса с датчиком уровня топлива; 25 — датчик контрольной лампы давления масла; 26 — датчик указателя температуры охлаждающей жидкости; А — колодка, присоединяемая к жгуту проводов салонной группы АБС; Б — колодка диагностики; В — колодка, присоединяемая к жгуту проводов кондиционера; Г — к выводу «+» аккумуляторной батареи; Д — к колодке жгута проводов боковых дверей; Е — колодка, присоединяемая к жгуту проводов панели приборов; G1, G2 — точки заземления; I — порядок условной нумерации штекеров в колодке блока управления иммобилайзера; II — порядок условной нумерации контактов в колодке диагностики.
Генератор ВАЗ 2107: назначение и основные функции
Как и на любой другой машине, генератор на «семёрке» работает в паре с аккумулятором. То есть это два источника питания в авто, каждый из которых используется в своих режимах. И если основная задача АКБ — поддерживать работоспособность электронных приборов в период, когда двигатель выключен, то генератор, напротив, вырабатывает ток только при работающем моторе.
Основная задача генераторной установки — вырабатывать электрическую энергию, подпитывая заряд аккумуляторной батареи. То есть во многом (если не во всём) работоспособность машины зависит от того, насколько слаженно работают генератор и аккумулятор.

Технические характеристики генератора Г-221А
На ВАЗ 2107 устанавливались два вида генераторов (карбюраторные и инжекторные), каждый из которых имел свою заводскую маркировку: 372.3701 или 9412.3701. Поэтому характеристики работы устройств могут отличаться, так как инжекторные модели потребляют больше электроэнергии, соответственно, и мощность генератора должна быть выше.

Таблица: сравнение характеристик разных модификаций генераторов для ВАЗ 2107
| Наименование генератора | Максимальная сила тока отдачи, А | Мощность, Вт | Масса, кг |
| ВАЗ 2107 карбюратор | 55 | 770 | 4,4 |
| ВАЗ 2107 инжектор | 80 | 1120 | 4,9 |
Замена родного генератора на более мощный с других марок автомобилей
Если мощность генератора вас не удовлетворяет либо просто он вышел из строя за много лет, то можно поменять его:
- На генератор марки ELDIX 115А, предназначенный для Нивы-21214. Для его установки понадобится:
- генератор;
- кронштейн крепления генератора 21214;
- натяжная планка 21214;
- болт крепления генератора 2110-3701376 с гайкой;
- болт М 8×25 с гайкой 2110.
Является хорошим генератором, по отзывам потребителей.
- Генератор КЗАТЭ 2110-12; 2108-09 14В 90А от российского производителя хорош тем, что все соединения у него сделаны на болтах, реле-регулятор тоже крепится болтами, что обеспечивает удобство при обслуживании и ремонте генератора. Диодный мост на этом генераторе не паяный, а соединяется путем прижатия. Благодаря этому диодный мост реально заменить, не снимая генератор с автомобиля. К тому же все комплектующие этого генератора можно приобрести без проблем, так как фирма-производитель обеспечивает внутренний рынок комплектующими деталями.
- Генератор от Приоры Люкс КЗАТЭ 115А – производителем является Самарский завод им. А. М. Тарасова. Эта модель крепится на ВАЗ-2110 болтами. Незначительной переделки потребует проводка. Придется рассверлить плюсовые клеммы, которые надеваются на генератор. Ремень лучше всего взять от BOSH, уже проверено многими владельцами методом тыка. После подключения новый генератор выдает отличные показатели:
- напряжение со всеми включенными потребителями – 13,8 В;
- генератор работает практически бесшумно.
- Генератор Старт-Вольт 120А – новое поколение генераторов, позволяет подключать любое количество потребителей, которые при современном уровне развития техники стали просто необходимы, а мощности стандартного генератора явно недостаточно. При тех же габаритах и весе, что и стандартные генераторы, мощность стартвольтовских генераторов на 50% превышает обычные. За счет принципиально нового подхода к комплектации генератора Старт-Вольт 120А увеличена не только мощность, но и долговечность, они прослужат дольше обычных не требуя ремонта и замены комплектующих.
Замена генератора с ГУРом, устранение шума
Наблюдался очень странный стук от двигателя, когда газанешь и сбросишь газ раздается стук от области генератора и гура… Долго с этим боролся, да вот не очень удачно, по порядку: -грешил на ролик ремня, ну да было чутка и с ним не все в поряде, долго искал ролик без люфта, но нашёл и поставил, от основного стука не помогло; -сняв ремень гены и ГУРа заведя машину стук исчезал полностью, ну что ж грешил долго на насос ГУРа, далее заменил и его, стало вроде как уже лучше, но через какое то время опять этот стук (((… -подумал а вдруг это генератор шумит, да и напряжение у него просидала когда все включишь до 12V полез его снимать и смотреть и тут началось… Снять гену на машине с ГУРом это еще тот квест… решил снимать через фару, тк через верх не вытащить ресивер мешает, через низ, насос ГУРа, снимать насос это значит сливать масло, а патом еще и прокачивать… так что через фару проще, тем более я еще и фары менял)))
через фару пролезает норм, снять фару не сложно))
И так сняв генератор я покрутил его в руках понял что подшипники его на исходе…
горелый контакт, видно когда то его хорошо каратнули)
Контакт с обмотки немного горелый, от него огрызок остался, подшипникам край, напряжение просидает, ну и купил я тогда новы)))
динамо
Динамо 105А когда у старого было 80 Далее самое интересное, раскрыто тайна зловещего шума…
низ крепления генератора
а это верхняя часть крепления генератора
вот и причина шума, сломанное на двое крепление стучало о другое крепление двигателя.
Скажу сразу найти новый кронштейн под двигатель с ГУРом было не просто, в Брянске я его так и не нашёл! Крепится он на те же болты что и крепление двигателя, но что бы его прикрутить пришлось снимать насос, снял его прямо так не скручивая с него трубки, а просто опустив его в низ)
нижний болт можно закрутить только сняв насос гура
новый генератор рядом со старым
Новый выглядит внушительные, у него на один контакт с обмотки больше, регулятор массивнее, напряжение в борт сети 14,2 V стабильно не реагирует на печку и ближний свет)))) если включить все что можно, это свет дальний, обогрев зеркал, аварийку, печку, задний ход, стоп сигнал…
Итог я доволен, шума нет, напруга в норме, всем бобра))
- Генератор 3800
- Кронштейн 560
Что делать, если реле напряжения вышло из строя?
Бывает такое, что реле вышло из строя в самый неподходящий момент, когда до дома еще ехать, а аккумулятор не заряжается. Емкость аккумулятора при экономном режиме может обеспечить довольно длительную работу двигателя, что позволит вам без проблем добраться до места ремонта. Ниже мы приведем список рекомендаций, которые помогут вам доехать, как это называется, «на аккумуляторе» и не заглохнуть.
- Если происходит перезаряд аккумуляторной батареи, то необходимо выключить реле из цепи. Для этого, с него снимаются контактные провода и остаются висеть. В случае с «десяткой», достаточно выдернуть штекер с проводом из разъема щеток генератора. Таким образом, отключается зарядка аккумулятора, и дальнейшее движение будет уже не во вред батарее.
- Многие специалисты предлагают идти и по другому пути – отключить обмотку возбуждения генератора. Для этого вытаскивается соответствующий предохранитель. Однако, это можно делать, если вам известно, где находится данный предохранитель.
- Если происходит слабая зарядка аккумулятора, то для паники причин практически нет. Чтобы добраться до места назначения, необходимо поддерживать большие обороты, чтобы, хоть немного, но доводить значение напряжения до номинального. Перед остановкой двигателя, рекомендуется несколько секунд с помощью педали газа поддерживать обороты на уровне 3000 об/мин. Так вы подготовите аккумулятор к следующему пуску.
- Старайтесь не пользоваться музыкой, электрическими стеклоподъемниками, светом фар (особенно дальним светом), а также прочими электрическими приборами, если их применение не является необходимым. Это хорошо сэкономит заряд аккумулятора.
Проверка
Случается так, что генератор начинает «барахлить» раньше положенного срока, не заряжается должным образом аккумулятор. Собственно, он и служит для того, чтобы обеспечивать работу источника электроэнергии для питания всех авто — аккумулятора.
Советуем опираться не только на нашу инструкцию, и на видео уроки, которые позволят даже без большого опыта выполнить ремонт и замену своими собственными руками.
Поиск поломки
Первым делом определите, действительно ли источником проблем выступает ваш генератор. Для проверки нужно провести ряд последовательных мероприятий.
- Заведите мотор и дайте ему прогреться до рабочей температуры.
- Увеличьте обороты коленчатого вала примерно до 3 тысяч оборотов в минуту.
- Включите все фары, активируйте дальний свет, запустите в работу печку, аварийку, подогрев стекла, щетки стеклоочистителя. То есть следует включить максимально всех потребители электроэнергии.
- Замерьте напряжение на аккумуляторе.
- Если прибор показывает менее 13В, тогда в обмотках генератора с высокой долей вероятности произошло замыкание или обрыв.
- Другой вариант — это поломка регулятора напряжения, окисление контактов кольца обмотки возбуждения.

Проверяем зарядку на АКБ от генератора. Проверить наличие обрывов и состояния прочих элементов генератора можно только путем его демонтажа. Но если у вас нет никакого опыта в разборке генератора, тогда пытаться лезть туда своими руками не стоит. Замените узел в сборе полностью или доверьте ремонт профессионалам.
Генераторы на ВАЗ 2106 и 2107
Генератор на ВАЗ 2106-2107 стоит такой же, как на ВАЗ 2101 — Г221. Если вы установите дополнительно внештатные потребители тока, работающие постоянно, то это приведёт к недозарядке, ток от реле-регулятора будет подаваться недостаточный. К таким дополнительным устройствам относятся:
- мощные аудиосистемы;
- противотуманки;
- телевизор;
- предпусковой подогреватель;
- дополнительный обогреватель;
- холодильник.
Любое аналогичное устройство приведёт к большему потреблению электроэнергии и, следовательно, к преждевременной разрядке аккумулятора, даже при работе мотора на высоких оборотах. Штатные устройства на 2106 разработаны уже давно и не рассчитаны на современные энергопотребляющие дополнения.

В таком случае рекомендуется заменить штатный генератор на более мощную установку.
1. Г 222
Если вам нужно усилить мощность тока, то, решая, какой генератор лучше поставить на ВАЗ 2106 или 2107, вместо штатного возьмите Г 222, который ставился на ВАЗ 2105, Нивах. Казалось бы, сам он не лучше штатного на «шестёрке», но можно взять модернизированную версию, которая будет мощнее. В отличие от 221-го, эта установка сконструирована со встроенным реле регулятора, собранного в один узел со щётками. Г 221 даёт отдачу 42 А, а 222-й — 50 А. Увеличение сечения на обмотке ротора повышает мощность, хотя конструкция совершенно аналогична Г 221. Правда, для установки на 2106 вам потребуется незначительная доработка. Самый простой способ — поставить щётки от Г 221. Они отлично ставятся на место реле. Такая доработка вполне по силам даже не имеющим навыка автолюбителям.
Можно установить на ВАЗ 2106 Г222 со штатным регулятором, но тогда необходимо изменить схему подключения электрической машины.
На 2107 всё устанавливается без проблем.
Проверьте напряжение при средних оборотах двигателя на клеммах аккумулятора, если оно при 2500 оборотах в минуту составляет 14 В, то всё отлично. Вы сможете ездить с более мощным агрегатом, подключая дополнительные опции.

2. Генератор 2108
Эта установка имеет большую эффективность, выдавая ток в 55 А. Ставится как на 2106, так и 2107.
Крепление идентичное штатным, проблем не возникает при установке. Не забудьте лишь снять аккумуляторную клемму. Вот с подключением на 2106 придётся повозиться. На штатный прибор идут 4 провода. На «восьмёрку» — три, так как реле напряжения встроенное. Чтобы получить хороший результат, заизолируйте чёрный провод, остальные присоедините соответственно штатной системе. Лампочка — индикатор разряда будет гореть при работе генератора, при отсутствии зарядки гаснет.
Полезно выполнить ещё небольшие доработки. Вместо старого реле поставьте обычное силовое. Тогда лампочка горит лишь при запуске мотора и на малых оборотах.
На 2107 нужно добавить только силовое реле.

3. 2107-3701010
Ещё более мощная установка — от ВАЗ 2107i, выдающая 80 А, которая также может быть поставлена на ВАЗ 2106–2107. С таким оборудованием возможно поставить любые электрические системы. На ВАЗ 2106 подойдёт только 2107-3701010; на карбюраторную «семёрку» можно взять любой генератор этой серии.
При установке этого оборудования на 2106 лучше его доработать: реле регулятор замените на аналогичное от Г 222.









































