причины, диагностика и что делать. Почему не работают поворотники и аварийка, и что с этим делать? Не работает аварийка ВАЗ 2107
Главная » Система питания двигателя » Не работают поворотники и аварийка: причины, диагностика и что делать. Почему не работают поворотники и аварийка, и что с этим делать? Не работает аварийка ВАЗ 2107
Поворотные огни являются неотъемлемым элементом оптики в любом современном авто. Их предназначение заключается в предупреждении других участников дорожного движения о том, что водитель планирует совершить маневр. По каким причинам не и аварийка, как проверить работоспособность оптических элементов и как произвести их ремонт. Об этом мы расскажем ниже.
Схема включения указателя поворотов
Прежде чем говорить о неисправностях поворотников, необходимо знать из чего состоит схема указателей поворота. В ее состав входят лампочки, реле указателей поворота, переключатель, предохранитель и кнопка аварийной сигнализации.
Реле является элементом коммутации электрической цепи. Именно оно обеспечивает кратковременное включение и выключение ламп во время работы поворотников. Реле получает информацию о замыкании цепи той или иной стороны указателей от переключателя поворотов и кнопки аварийной сигнализации.
Соответственно, оно замыкает нужную цепь и обеспечивает работу конкретных лампочек. Месторасположение реле может быть различным. На новых автомобилях он ставится в монтажный блок, а, например, на «жигулях» устанавливается за панелью приборов. Там он крепится с помощью специального кольца, прикрученного к кузову автомобиля на гайке. Данное кольцо играет роль «массы» и должно быть всегда зачищено. Также, реле указателей поворота может крепиться и к лонжерону автомобиля.
Лампы являются главным элементом и играют роль того самого указателя. Включение ламп обеспечивается направлением сигналов, выходящих из реле. Схема подключения ламп обеспечена таким образом, что даже если одна из них перегорит, то это никак не повлияет на работу других.
Переключатель указателей поворотов находится на рулевой колонке автомобиля и служит аппаратом управления для водителя. С помощью переключателя можно задавать направление включения указателей поворотов.
Кнопка аварийной сигнализации – обеспечивает включение всех лампочек, входящих в состав поворотников. На контактной группе кнопки происходят соединения всех проводов, в том числе, проводов замка зажигания.
Все элементы схемы соединяются с помощью электрической проводки и корпуса автомобиля (или на народном языке – «массы»).
Предохранитель предназначен для защиты цепи от коротких замыканий. Такое может случиться, если вы случайно замкнули провода, находящиеся в составе схемы или из-за того, что их изоляция недостаточна. Предохранитель имеет плавкую вставку, которая при повышении тока в цепи (сопровождается увеличением температуры проводников) разрывает электрическую схему и защищает цепь от возгорания.
Неисправности сигналов поворотов ВАЗ 2107
Главный признак неисправности — неработающие указатели поворотов. Однако, причина может заключаться не только в реле. Вариантов поломки несколько:
- Лампы поворотов постоянно горят, не мигают. Это говорит о неисправности электромагнитно части реле поворотников ВАЗ 2107 — контакты застряли в замкнутом положении и не размыкаются. Это может быть как пригорание контактов электромагнитного реле, так и выход из строя электронной схемы реле поворотов. Независимо от конкретной причины, выход один — замена реле поворотов ВАЗ 2107.
- Лампы мигают слишком медленно или быстро. Причина может быть как в электронной части реле поворотов, так и несоответствии тока потребления ламп номинальному. Если одна из ламп перегорела или установлены лампы, потребляющие меньший ток, то повороты станут мигать чаще, чем необходимо. Такое же явление происходит, если оборван провод, идущий к одной из ламп, или окислен патрон или цоколь лампы. Аналогичное явление происходит при установке светодиодных ламп вместо ламп накаливания. При установки более мощных ламп частота мигания уменьшается. Если все лампы исправны и неисправность проявилась не после замены ламп, причина кроется именно в реле поворотов или плохих контактах в цепи питания ламп.
- Лампы указателей поворотов не горят. Причина неисправности может быть в поломанном переключателе поворотов, сгоревшем (неисправном) реле поворотов, в обрыве цепи или в перегоревшем предохранителе. Проверку лучше начинать с последнего
Процесс установки
Прежде чем понять, как подключить поворотники к габаритам, обратите внимание, что в оптике боковых фонарей есть два основных цвета:
- Желтый («американский») с таким же цветом вращающейся оптики сливается;
- Белый с желтым поворотом лучше выделиться на дороге.
Боковые фары вставляются в сигналы поворота автомобиля следующим образом:
- Во вращающейся оптике на ВАЗе вырежьте отверстие, куда будет вставлен картридж. Допустимо использовать картридж типа w5w. Он будет вставлен в стандартную лампу накаливания мощностью 5 Вт или светодиодную ленту;
- Зафиксируйте картридж в оптике для вращения, чтобы предотвратить попадание влаги, грязи и продолжительного крепления;
- Чтобы перенести освещение от фар на ВАЗ 2107 или 2109, переключите провода на недавно установленный картридж. При подключении дополнительных светильников без трансмиссии необходимо замыкать контакт в блоке, ведущем к фаре параллельно.
READ Троит Двигатель И Мигает Чек Калина
Автомобиль после такой доработки приобретает особый шарм
Также обратите внимание, что если вы устанавливаете осветительные приборы на передней части автомобиля, оснащенные красными огнями или отражателями, а также лампами с ненадлежащим функционированием и цветом, противоречащими закону, вам грозит штраф в размере следующих сумм:
- 2500 рублей, если вы гражданский;
- 15000-20000 рублей. Официальные;
- 40 000. 50 000 рублей. Легально.
В последнее время автомобилистам удалось оснастить габаритные огни в углах лампочками с двумя контактами. Но эта мера может также мешать другим участникам дорожного движения. Таким образом, управление фарами, какими бы полезными они ни были, может снизить вашу безопасность. Так что не удивляйтесь растущему вниманию к вашей машине со стороны ГИБДД.
Источник
Неисправности электрооборудования могут возникнуть во время эксплуатации автомобиля. Одной из таких неприятностей является сбой системы поворотов, как правило, через реле указателя. Мы постараемся рассмотреть, из чего состоит система указателей поворота, наиболее распространенные неисправности и ответим на вопрос, что делать, если не работают поворотники.
Индикаторы дорожного движения являются неотъемлемой частью безопасности дорожного движения.
Их использование позволяет водителям знать ваши намерения, принимать правильные решения и мудро маневрировать. Первые сигналы поворота появились в виде специальных стрелок, включенных специальным механизмом и обозначавших направление движения автомобиля. После этого система была усовершенствована, и вместо примитивных знаков и символов появились первые лампы, которые облегчали работу водителя и в меньшей степени отвлекали его от вождения. Сигналы поворота, которые мы привыкли видеть, появились в 30-х годах прошлого века и использовались в виде специальных ламп, расположенных на крыльях или бампере автомобиля. Со временем это стало незаменимым компонентом любого автомобиля, и его исправность должна быть полностью сохранена.
Не работают поворотники ВАЗ 2107: замена реле
О неисправности реле можно понять по следующим признакам:
- Поворотные сигналы горят, но не мерцают, как это положено
- Происходит слишком медленное или быстрое мерцание
- Поворотники и аварийный сигнал вообще не работаю (ваш случай)
Я рекомендую вам заменить именно этот механизм, стоит он не так уж много, а работу можно проделать буквально за 20-30 минут. Обеспечьте себе доступ к монтажному блоку, обнаружьте там реле, выглядит оно следующим образом:
После подденьте и подтяните его с помощью подручных инструментов. Открутите «массу» от прерывателя и на место старого реле установите новый механизм и подключите все идущие к нему провода. После чего соберите все ранее разобранные элементы в обратной последовательности. Как видим, ничего сложного. Главное во всей работе — правильно подсоединить выводу к «плюсу» и «минусу». Я вижу именной такой способ решение вашей проблемы. Желаю удачи.
Назначение устройства
Изначально следует отметить, что повороты функционируют не так, как прочие световые приборы на автомобиле. Они работают в прерывистом режиме, что обеспечивается посредством такого изделия, как реле(прерыватель) поворотов ВАЗ-2107.
Следует также отметить и тот факт, что помимо прерывистого режима работы, реле поворотов издают звуковые сигналы в виде щелчков, которые помогают водителю. По этим щелчкам водитель понимает, что устройство функционирует в данный момент.
Помимо того, что прерыватель отвечает за функционирование световой сигнализации, необходимой для маневров, так он еще и позволяет им работать в режиме аварийки. На ВАЗ-2107 применяется электронное реле, частота мигания ламп которого зависит от настройки электронной схемы. Выше представлено фото современного электронного реле поворотов, которое используется на автомобилях ВАЗ-2107.
Диагностика неисправностей поворотников
Если однажды поворотники перестают функционировать, то это говорит о том, что пришло время провести диагностику автомобиля. Для этого нет необходимости ехать на СТО, а можно выполнить все в домашних условиях. О том, что механизм перестал функционировать, говорят следующие признаки:
- При включении поворотники горят, но при этом не происходит их мерцание. Такой вид поломки связан непосредственно с выходом из строя реле. Для исправления неисправности требуется заменить прерыватель.
- Ускоренное или замедленное мерцание поворотников. Ускоренное мерцание говорит о том, что перегорела спираль одной из ламп. Медленное мерцание свидетельствует о том, что в схеме подключена минимум одна лампа большей мощности, чем рекомендуется. Многие автомобилисты с появлением современных светодиодных ламп стремятся установить их на авто. При установке светодиодных ламп в поворотники наблюдается слишком быстрое их мерцание, это связано с их низкой потребляемой мощностью.
- Устройства вовсе не функционируют. Причина может заключаться в неисправности реле, предохранителя, подрулевого переключателя или кнопки включения аварийки. Схема подключения выполнена так, что питание поворотников проходит через кнопку включения аварийки. Если кнопка неисправна, то и повороты не будут функционировать.

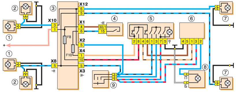
Для наглядности представим схему указателей поворотов и аварийки для семерки. В нее входят:
- блок-фары с лампочками указателей поворота;
- указатели поворота расположенные на передних крыльях авто(боковые);
- монтажный блок;
- замок зажигания;
- кнопка аварийки;
- рассматриваемое реле;
- лампочки поворотников расположенные в задних фонарях;
- лампочка на панели приборов, сигнализирующая о включении поворотов;
- подрулевой переключатель.
Где найти реле на ВАЗ-2107
Где же находится устройство, отвечающее за прерывистое функционирование сигнала поворотов? Располагаться релюшка может в двух местах на ВАЗ-2107: в монтажном блоке пли за приборной панелью.
В карбюраторных «семерках» изделие находится за приборной панелью в салоне автомобиля, а в инжекторных – на монтажном блоке, который находится под капотом. Конструктивно прерыватель представляет собой коробочку с контактами снаружи. Изделие не подлежит ремонту, поэтому при выходе из строя требуется осуществить его замену.
Особенности замены прерывателя
Если обнаружено, что реле поворотов вышло из строя, то требуется осуществить его замену. Изделие, находящееся в монтажном блоке требуется поддеть и демонтировать. Если оно неисправно, в чем обязательно требуется убедиться, то вместо него следует установить новое. Так осуществляется замена для инжекторных “семерок”. Выполнить же замену на карбюраторных «семерках» намного сложнее. Процесс замены выглядит так:
- Нужно снять приборную панель, поддев ее при помощи отвертки.
- После этого пробуем вытянуть ее на незначительное расстояние, если имеется такая возможность. Если длина проводов не позволяет вывести панель на некоторое расстояние, то соединения следует разъединить.
- Отвинтить трос привода спидометра.
- Найти визуально реле, и отсоединить от него контактные провода.
- Также от него отсоединяем «массу» после чего устройство демонтируем.
- Вместо старого прерывателя поворотов следует установить новое реле.
- В завершении собрать и подключить все демонтированные детали в порядке обратном снятию.
Подводя итог, следует отметить, что прерыватель является одним из важнейших узлов каждого автомобиля, и необходимо следить за его исправностью. От него напрямую зависит безопасность дорожного движения.
Причины неисправности указателей поворотов

- Выход из строя подрулевого переключателя.
- Поломка реле поворотников.
- Неисправность кнопки аварийной сигнализации.
- Обрыв электрической цепи. Если поворотники не работают со всех сторон, первым делом следует проверить провода питания реле поворотников. Если указатели перестали работать только с одной стороны, проблема в проводах, идущих от подрулевого переключателя к лампочкам.
- Окисленные контакты, обломанные провода. Поворотники не работают, если сопротивление цепи значительно отличается от номинального. Для подачи питания необходимо превышение определенного уровня мощности потребителей. Если микросхема внутри реле поворотников из-за повышенного сопротивления не регистрирует достаточную силу тока, питание на лампочки подаваться не будет.
Устройство
В работе поворотников участвуют:
- подрулевой переключатель поворотов. Его функция в замыкании питающего контакта лампочек. К примеру, при повороте переключателя вверх происходит замыкание одного из контактов лампочек правой стороны на «+» АКБ. «Минусом» лампочки является точка подключения к «массе» (общая точка для всех лампочек блок-фары);
- реле поворотников. Внутри корпуса расположено обычное электромагнитное реле, но управляется оно микросхемой. Именно благодаря этому элементу обеспечивается прерывистая подача питания на катушку. Вторая немаловажная функция – контроль исправности ламп. Микросхема имеет функция обратной связи, поэтому при перегорании лампочки она регистрирует уменьшение мощности потребителей и начинает подавать питание на катушку с удвоенной частотой. Если поворотники работают исправно, лампочки моргают примерно 1 раз в секунду. На большинстве современных автомобилях, в том числе и моделях ВАЗ, используется 3-контактное реле указателей поворотов. Соответственно, 1 контакт – «масса», 2 – питание от АКБ, 3 – выход на подрулевой переключатель;
- световая индикация на приборной панели. Одна либо две лампочки (по одной на каждую из сторон) подключаются параллельно электрической цепи основных ламп. Поворотники будут работать и без световой индикации, поэтому среди возможных причин неисправности рассматривать систему не стоит.
Схема включения
Простейшая схема подключения сигналов поворота.

На видео подробно рассмотрен принцип включения указателей поворотов, а также роль кнопки аварийки в работоспособности системы.
Диагностика своими силами
В ситуации когда аварийка и (или) поворотники не работают, желательно сразу приступить к устранению неисправности. Проверка всех возможных причин выполняется достаточно просто, а потому ничто не мешает сделать все самостоятельно. В этом вам поможет точное определение симптомов. Давайте рассмотрим часто встречаемые.
Поворотник не срабатывает, но световые приборы действуют. Все это совершенно очевидно указывает на неисправность реле. Причем сразу становится понятно – проблема образовалась из-за отказа ее электромагнитной составляющей. Скорее всего, произошло замыкание, приведшее к обездвиживанию якоря.
Следующий вариант – поворотники на ВАЗ-2114 вполне себе работают, но либо мигают очень медленно или же, напротив, с излишне большой скоростью. И данный признак говорит о ненадлежащем функционировании реле, однако первопричиной, скорее всего, являются лампы. Если вы их недавно меняли, то смотрите на них. Вероятнее всего, номинал не соответствует требуемому.
Передвижение рычага ничего не дает. Здесь не только собственно поворотники (аварийка) не хотят работать, но иногда перестает светиться и отвечающая за них индикация приборной панели. Дополнительный симптом – отсутствие щелчков, свидетельствующих о включении рассматриваемой функции. Здесь причин несколько:
- поломка элемента управления;
- обрыв в цепи;
- выход из строя предохранителя.
Реле поворотников ВАЗ — диагностика и замена своими руками

Поворотники являются, пожалуй, очень важной частью любого транспортного средства. Выполнение маневров на дороге становится довольно опасной задачей если поворотники не работают. За правильную работу указателей поворотов отвечает реле поворотников и аварийной сигнализации ВАЗ 2107
Данное устройство применяется на всех автомобилях классического семейства. Рассмотрим, для чего нужно реле поворотников, как определяется неисправность реле и как выполняется его замена?
Назначение реле поворотников и аварийной сигнализации

Все знают, что указатели поворотов и аварийная сигнализация в процессе своей работы моргают
Это необходимо для того, чтобы привлечь внимание остальных участников движения. Мерцание ламп невозможно спутать с каким-либо другим сигналом, подаваемым с помощью световых приборов
За это явление отвечает небольшое устройство под названием реле указателей поворота.
Помимо мерцания поворотников, реле обеспечивает еще одну функцию – создание необходимого звукового сигнала (щелчка), который говорит о том, что указатели поворота находятся в работе.
На «Жигулях» применялось два типа реле, которые отличаются как по своему устройству, так и по принципу действия.
- Первый тип представляет собой реле электромагнитного типа, которое крепится в подкапотном пространстве автомобиля. Основой для работы электромагнитного теплового реле служит специальная струна из нихрома, которая, нагреваясь и остывая, замыкает и размыкает цепь указателей поворота. Данные типы реле применялись на ранних моделях «классического» семейства: ВАЗ 2101-2102 и ВАЗ 2103.
- Второй тип реле стал применяться на автомобилях ВАЗ 2106 и выше. Он представляет собой электронную схему, построенную на полупроводниковых элементах схемы. Помимо полупроводников, в состав реле входит еще и электромагнит, который выполняет функции замыкания и размыкания. Частота срабатывания электромагнита (или мерцания ламп) достигается с помощью «ключа», или специальной электронной схемы.
Диагностика неисправности реле указателей поворотов ВАЗ 2107

Если в один прекрасный день поворотники прекратили свою работу. Настало время проверить, что же случилось и по возможности заменить неисправную часть схемы. О неисправностях реле поворотников можно узнать по некоторым признакам:
- Поворотники горят, но не мерцают. Это прямо указывает на поломку реле, а точнее, его электромагнитной части. В этом случае, электромагнит замкнулся в одном из положениях и не может вернуться в исходное состояние.
- Поворотники моргают слишком быстро или слишком медленно. Такое может случиться, но не только по вине реле указателей поворота. Иногда скорость мерцания ламп может меняться, если в поворотниках применяются лампы не той мощности, что положена заводом-изготовителем. Тем не менее, установка нового реле в качестве проверки не помешает.
- Поворотники не работают совсем. Это означает, что не моргают лампы указателей поворота, лампа на приборной панели и отсутствуют соответствующие щелчки реле. Однако, как и во втором случае, неисправность не всегда касается реле указателей поворота. Порой, причина заключается в неисправности кнопки аварийной сигнализации.
Замена реле поворотников и аварийной сигнализации (+ Видео)
После обнаружения любых из перечисленных неисправностей, обязательно следует замена реле указателей поворота.
В зависимости от модификации (карбюратор или инжектор), расположение реле-прерывателя может заметно отличаться. Карбюраторные автомобили ВАЗ 2107 подразумевают монтаж реле за приборной панелью в салоне автомобиля.
Однако, начиная с инжекторного двигателя, реле может располагаться в монтажном блоке в подкапотном пространстве.

Для того, чтобы снять реле, находящееся в монтажном блоке – достаточно просто поддеть его и потянуть вверх. После этого, на его место устанавливается новый элемент.

В случае с реле, находящимся за панелью дела обстоят намного сложнее. Перед снятием реле необходимо поддеть приборную панель с помощью отвертки и снять ее.
Если позволяет длина проводов, то можно оттянуть ее на некоторое расстояние, но если они слишком короткие, рекомендуется вытащить штекеры и открутить трос привода спидометра. Панель отложите в сторону, а от реле отсоедините контактные провода. Теперь открутите «массу» от прерывателя и снимите его.
На место старого реле установите новое и вставьте в него контактные провода. После этого, проведите сборку приборной панели и установите ее на штатное место. На этом замена реле поворотников завершена.
Это все, что необходимо знать о реле поворотников.
Что делать, если пропала зарядка?
Если транспортное средство оборудовано генераторным устройством Г-222 и при этом зарядка генератора пропала, необходимо произвести диагностику соединений в блоке предохранителей. Проверка выполняется с помощью тестера. Ниже приведен список соединений, которые подлежат диагностике:
- Ш4-1 — Ш11-4;
- Ш1-6 — предохранительное устройство под номером 9 — Ш11-3, чаще всего причина кроется в разрыве этого соединения;
- Ш1-4 — Ш10-1;
- Ш5-3 — Ш10-7;
- Ш1-6 — предохранительный элемент под номером 10 — Ш4-1.
Если машина оборудована генераторным устройством 37.3701, то выполняется диагностика только последних трех цепей:
- Ш1 — разъем коричневого цвета, располагается на БП со стороны салона;
- Ш4 — разъем синего цвета, также находится в салоне;
- Ш5 — разъем желтого цвета, в салоне;
- Ш10 — коричневый разъем, располагается в подкапотном пространстве;
- Ш11 — желтый разъем в подкапотном пространстве.
Неисправности сигналов поворотов ВАЗ 2107
Главный признак неисправности — неработающие указатели поворотов. Однако, причина может заключаться не только в реле. Вариантов поломки несколько:
- Лампы поворотов постоянно горят, не мигают. Это говорит о неисправности электромагнитно части реле поворотников ВАЗ 2107 — контакты застряли в замкнутом положении и не размыкаются. Это может быть как пригорание контактов электромагнитного реле, так и выход из строя электронной схемы реле поворотов. Независимо от конкретной причины, выход один — замена реле поворотов ВАЗ 2107.
- Лампы мигают слишком медленно или быстро. Причина может быть как в электронной части реле поворотов, так и несоответствии тока потребления ламп номинальному. Если одна из ламп перегорела или установлены лампы, потребляющие меньший ток, то повороты станут мигать чаще, чем необходимо. Такое же явление происходит, если оборван провод, идущий к одной из ламп, или окислен патрон или цоколь лампы. Аналогичное явление происходит при установке светодиодных ламп вместо ламп накаливания. При установки более мощных ламп частота мигания уменьшается. Если все лампы исправны и неисправность проявилась не после замены ламп, причина кроется именно в реле поворотов или плохих контактах в цепи питания ламп.
- Лампы указателей поворотов не горят. Причина неисправности может быть в поломанном переключателе поворотов, сгоревшем (неисправном) реле поворотов, в обрыве цепи или в перегоревшем предохранителе. Проверку лучше начинать с последнего
Проверка и замена реле ВАЗ 2107
Рассмотрим процесс замены на примере реле системы обогрева заднего стекла. Этот элемент располагается в монтажном блоке. Более точно место установки можно узнать, посмотрев на схему, нанесенную на обратной стороне защитной накладки:
- Отключите зажигание и откройте блок предохранителей.
- Найдите реле, которое необходимо проверить и заменить.
- Демонтируйте его с помощью щипцов, которые находятся в корпусе блока.
- Установите вместо извлеченного устройства другое, заведомо рабочее. Можно использовать реле от системы очистки фар или головного света.
- Если диагностика показала, что извлеченное реле вышло из строя, установите вместо него новое.
Процесс проверки и замены аналогичен для всех устройств. Разница заключается только в их месте расположения:
- основные реле установлены в блок с предохранителями;
- устройство, обеспечивающее работу зажигания, а также световой сигнализации и поворотников, располагается в салоне транспортного средства, на передней панели за приборной комбинацией;
- реле активации стартерного устройства установлено в подкапотном пространстве, на правом брызговике;
- устройство очистки лобового стекла находится под комбинацией приборов со стороны водительского сиденья, оно фиксируется к кузову авто двумя болтами.
Все проблемы с поворотниками
#161 Sound27
Пользователи
129 сообщений
Регистрация 02-Май 10
Проблемма с поворотниками вот какая. Старое релле сломалось,купил новое,металический боченок с тремя клемами. Подключил его, повороты мигают нормально,аварийка мигает нормально,сигнализация мигает нормально и КЛ на приборке мигает нормально,нокогда повороты выключены,то КЛ постоянно светится в пол накала. Решил проверить старым релле,поставил обратно,лампочка потухла,но повороты плохо мигают (релле сломано) ставлю обратно ново-купленное все работает,но КЛ горит, снимаю один провод релле,которое идет на КЛ,лампочка тухнет. Что это может быть,релле такие сейчас? и подскажите,может альтернатива другие релле купить? от восьморки не подходит.
Проблемы с поворотами обсуждаются в теме «Все проблемы с поворотниками» тему перенес, предупреждение за создание темы-клона
Сообщение изменено: ajm, 07 Май 2011 — 23:39.
#162 ai5567
Пользователи
3 сообщений
Регистрация 08-Декабрь 11
#163 ajm
Супер-модераторы
16 507 сообщений
Регистрация 29-Август 07
#164 ai5567
Пользователи
3 сообщений
Регистрация 08-Декабрь 11
#165 Ром4ік
Пользователи
71 сообщений
Регистрация 15-Декабрь 11
Мужики подскажите что может быть: машина 21043 включаю поворот стрелка штатного вольтметрапрыгает с зелёной зоны на белую, при включении аварийки видно что есть нагрузка немного подёргиваеться но не так сильно. И у меня было ощущение (по показаниям все тогоже штатного вольтметра) что пропадает зарядка при включении всех потребителей грешил на гену, так я его перебрал поменял подшипники проточил токарь колекторные кольца там были уже даже не царапины а две борозды, была поменяна «таблетка» с щетками. если кто скажет что штатному вольтметру верить незя так я и мультиметром мерял и до и после ремонта гены, так после ремонта он всеравно болоьше 13,7 В не выдавал, а до ремонта при запуске двигателя 13,8-13,9 В после 10 минут езды напряж. падало до 12 В. Я уже думаю мож релюхаповоротов барахлит или гдето короткое.
Ром4ік Перед созданием новой темы нужно изучить мануал по разделу http://www.vaz2101.o. ead.php?t=18732найти подходящую тему и задать вопрос в ней. Или воспользоваться функцией поиска.
Сообщение изменено: ajm, 05 Февраль 2012 — 10:18.
#166 ajm
Супер-модераторы
16 507 сообщений
Регистрация 29-Август 07
Сообщение изменено: ajm, 05 Февраль 2012 — 10:19.
#167 Vanya-ulyanov
Пользователи
1 сообщений
Регистрация 01-Июнь 12
#168 А.С. 2101
Пользователи
327 сообщений
Регистрация 04-Июнь 06
- Откуда: ваз 2101
- Авто: 1974
#169 igor
Пользователи
873 сообщений
Регистрация 24-Июль 10
#170 Dima_dodo
Пользователи
37 сообщений
Регистрация 25-Ноябрь 11
#171 ustisv
Пользователи
136 сообщений
Регистрация 04-Октябрь 10
- Откуда: Полтава
- Авто: ВАЗ 21011
#172 gebenot
Пользователи
113 сообщений
Регистрация 09-Сентябрь 09
Видео — Определение неисправностей «поворотов» и аварийки ВАЗ 2106
Общие неисправности:
- Индикатор мигает слишком быстро. Это может произойти, если выбор лампы по мощности сделан неправильно. Кроме того, необходимо очистить контактные соединения, так как коррозия также может вызвать быстрое мерцание. В исключительных случаях причиной также может быть реле указателей поворота, которое необходимо будет заменить.
- Указатели поворота горят, но не мигают. Здесь проблема кроется в реле указателей поворота. Вероятно, часть цепи перегорела и замкнулась, чтобы загореться, а не мерцать. В этом случае реле необходимо заменить. То же самое касается работы указателей поворота. Если эти лампы не загораются, реле также необходимо заменить.
- Лампа не загорается, но реле срабатывает и сигнализирует о том, что указатель поворота исправен. Скорее всего, лампа просто перегорела и ее нужно заменить. Чтобы заменить лампочку, открутите патрон лампы сзади и отсоедините вилку.
- Если горит только одна сторона индикаторов, необходимо заменить реле или проверить состояние тревожной кнопки. Дело в том, что у него есть контактная группа, настройку которой можно нарушить. Если это произойдет, разобрать его, разобрать и установить контакты. Если контакты подгорели, найдите причину их выхода из строя или замените кнопку целиком. В редких случаях причиной может быть переключатель указателей поворота.
В том случае, если произошел полный отказ указателя, может быть много причин:
- Прежде всего проверьте состояние предохранителя. Это всегда нужно делать при обнаружении неисправностей в электрооборудовании автомобиля. Если он горит, найдите причину его растворения. Сняв его, вы можете поменять предохранитель и продолжить движение. Если предохранитель не поврежден, продолжайте.
- Вторая – плохой контакт с корпусом держателя реле указателей поворота. Такая неисправность касается классических автомобилей, у которых крепление этой детали осуществляется под панелью приборов. Плохой контакт контактов реле также может быть в монтажной колодке. Вероятно, что произошло окисление или коррозия контактов, которую удаляют соскабливанием поверхности. Со временем реле может перегореть, поэтому его нужно будет заменить.
- Третья причина этой неисправности может быть от кнопки тревоги. Были случаи, когда контакты просто отваливались при движении на большой скорости по неровной дороге. В первую очередь нужно проверить состояние самой кнопки: если она переместилась, значит, ее необходимо установить на место. Однако, если он на месте, проверьте статус и настройки ваших контактов. Если они в неудовлетворительном состоянии, замените кнопку.
Четвертая причина может относиться к стрелочному переключателю или силовым кабелям. Контакты переключателя, скорее всего, не дают включиться поворотнику и, следовательно, подлежат замене.
вот и все. Это полный перечень действий на случай, если перестали работать поворотники ВАЗ. Все вышеперечисленные действия можно выполнить самостоятельно, без помощи рабочих мастерской.
Источник
Сообщение Ваз 2106 аварийка поворотники не моргают появились сначала на Узнай все про автомобили ремонт советы..


















































